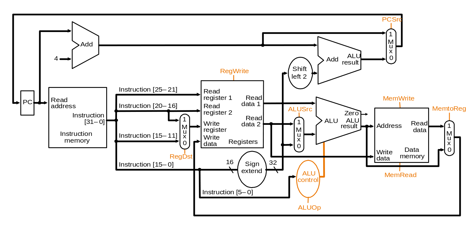
# 執行指令
PC:指 instruction memory, 然後他自動會加 4 (byte)。
Register:暫存器的家。
如果全部都由 ALU 做的話,在某一類指令會非常的忙碌。

Instruction memory:是儲存指令的 memory
data memory:是存資料的
雖然記憶體只有一塊,但是我們假設他可以分成兩個區域,並且這樣比較好規劃。


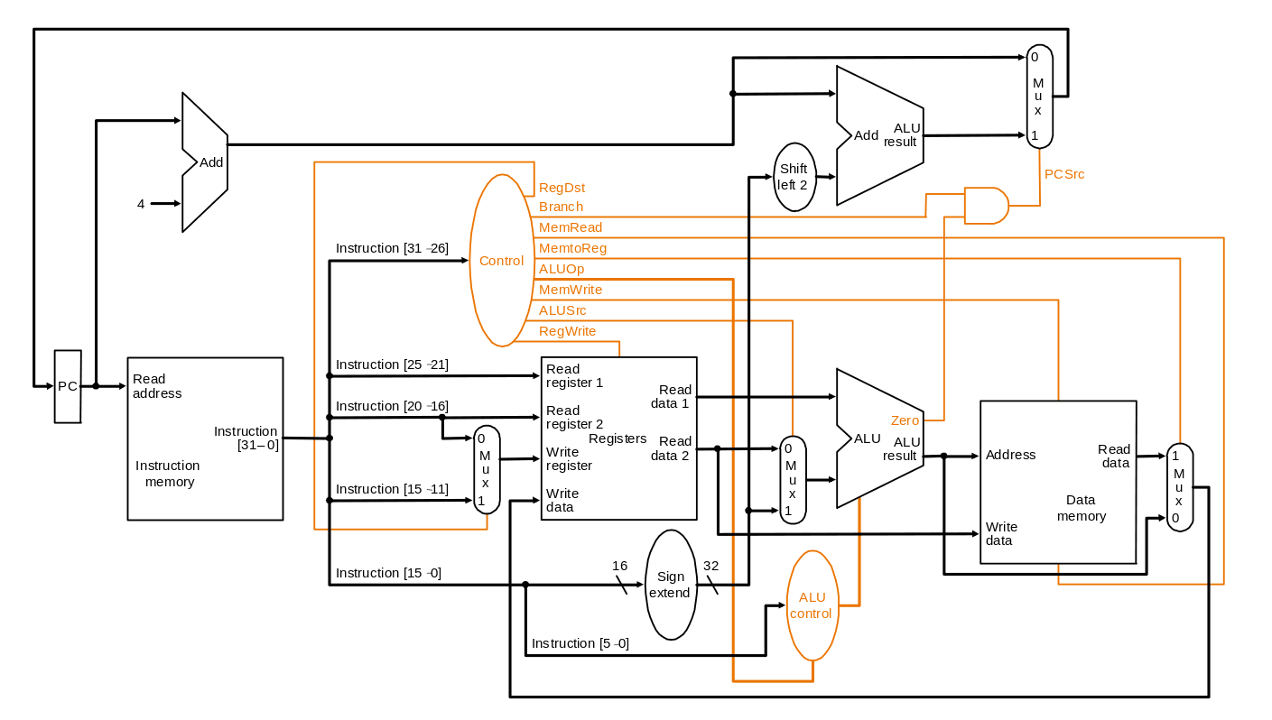
PC:指 instruction memory, 然後他自動會加 4 (byte)。
Register:暫存器的家。
如果全部都由 ALU 做的話,在某一類指令會非常的忙碌。

Instruction memory:是儲存指令的 memory
data memory:是存資料的
雖然記憶體只有一塊,但是我們假設他可以分成兩個區域,並且這樣比較好規劃。
